Location -> Продукты -> Термометр -> Тепловое сопротивление
Type:ST40 Монолитный переключатель температуры
Illustrate:CX-TS-ST40 составляет из PT100 зонда, цена сопротивления PT100 в соответственно с изменением температуры, PT100 есть два провода, трипровода, четырепровода для выбора


CX-TS-ST40 составляет из PT100 зонда, цена сопротивления PT100 в соответственно с изменением температуры, PT100 есть два провода, трипровода, четырепровода для выбора
Преимушества
Удобная установка,несколько диапазонов измерения,разные размеры зонда, нержавеющая сталь
Области применения
CX-TS-ST40 может удовлетворить регулирование температуры в системах гидровлически ,смазочного масла и трансмиссионной системы,для контролирования мах и мини температуры.
Техничесткие параметры
Диапазон измерения: -50…0℃, -50…50 °C; 0...50 °C; 0...80 °C; 0...100°C; 0...120°C, 0...150°C, 0...200°C,
Класс точности: A
Погрешность: ±0.15+0.002 ×t
Класс защиты: IP65
Соединение провода :в зажим
Материал части контакта со средой: нержавеющая сталь
Материал корпуса: нержавеющая сталь
Габарит:

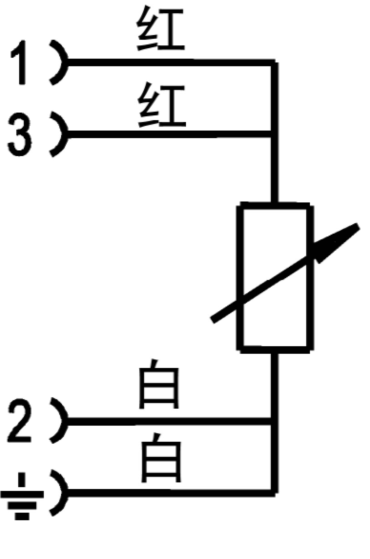
Соединение провода:

Таблица для выбора:
| ST40- | /0-100 | /6 | /25 | M | |
| ST40- | PT100 датчик температуры | ||||
| /50-0 | Диапазон измерения-50…0℃ | ||||
| /50-50 | Диапазон измерения-50…50℃ | ||||
| /0-50 | Диапазон измерения'0…50℃ | ||||
| /0-80 | Диапазон измерения'0…80℃ | ||||
| /0-100 | Диапазон измерения0…100℃ | ||||
| /0-120 | Диапазон измерения0…120℃ | ||||
| /0-150 | Диапазон измерения0…150℃ | ||||
| /0-200 | Диапазон измерения0…200℃ | ||||
| /6 | Диаметр зонда Ø6 | ||||
| /8 | Диаметр зондаØ8 | ||||
| /25 | Длина зонда L為25mm | ||||
| /50 | Длина зонда L為50mm | ||||
| /75 | Длина зондаL為75mm | ||||
| /100 | Длина зонда L為100mm | ||||
| M | M резьба соединение |
DF001Таблица для выбора:
| DF001- | - | M | L | A | R1 | C4 | T | |
| ST40- | DF001 | |||||||
| Z | Габарит 96×96(正方) | |||||||
| H | Габарит96×48(橫式) | |||||||
| L | Вход : линейный сигнал | |||||||
| P | Вход: термосопротивление | |||||||
| T | Вход: термопреобразователь | |||||||
| A | выход: 4…20mA | |||||||
| B | выход: рель | |||||||
| O | Не дополнительный выход | |||||||
| Q1 | дополнительный выход: один реле тревога | |||||||
| Q2 | дополнительный выход: два реле тревога | |||||||
| Q3 | дополнительный выход: три реле тревога | |||||||
| O | Нет интерфейс корреспондеции | |||||||
| R2 | корреспондецииRS232 | |||||||
| R4 | корреспондецииRS485 | |||||||
| D | DC 24±10%питание | |||||||
| T | AC 90…260Vпитание |
Предыдущий:沒有了 следующий:ST30 Механический ..










